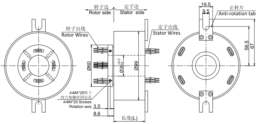
GT3099系列整體式精密導電滑環,主要應用于360度連續旋轉且需要保證電源,信號不能中斷的場合:多用于包裝機械、自動化機床、涂布機、自動鎖螺絲機、槍刺地毯機器人、智能磨削機器人、拋光機、智能倉儲機器人、 電纜卷軸、壓模機、離心機、倉儲物流車、噴涂設備等任意需要360°旋轉導電或傳輸各種控制信號的裝置。

| 技術規格參數 | ||||
| 機械技術指標 | 電氣技術指標 | |||
| 參數 | 數值 | 參數 | 數值 | |
| 工作壽命 | 1億轉 | 功率 | 信號 | |
| 額定轉速 | 1~1800RPM | 額定電壓 | 0~690VAC/VDC | 0~440VAC/VDC |
| 工作溫度 | -30℃~80℃ | 絕緣電阻 | ≥1000MΩ/500VDC | ≥1000MΩ/500VDC |
| 工作濕度 | 0~85% RH | 導線規格 | AWG16#鍍錫鐵氟龍/PVC/硅膠 | AWG16#鍍錫鐵氟龍/PVC/硅膠 |
| 接觸材料 | 貴金屬 | 導線長度 | 標準長度300mm(可據要求調整) | |
| 殼體材料 | 鋁合金 | 絕緣強度 | 1000VAC@50Hz,60s | |
| 轉動扭矩 | 0.1N.m;+0.03N.m/6路 | 動態電阻變化值 | <0.03Ω | |
| 防護等級 | IP51 | |||








經過多年的經驗積累,默孚龍擁有20萬多個產品3D圖檔數據庫,
由于互聯網的開放性和同行競爭,需要產品3D圖檔的客戶請留下電子郵箱或者QQ。
審核完聯系方式后,我們的系統將在5分鐘內把3D自動發動到您的電子郵箱!